| Productoverzicht - Junior 150 Design (EPC) |




Download een CAD bestand van de Junior 150 Design in een van de volgende formaten:
DRW formaat
DWG formaat
DXF formaat
Klik hier om de brochure van de Junior 150 Design te downloaden.
|
Thermisch geïsoleerd draaiventilatierooster met traploos regelbare afdichtingscilinder en voorzien van een eenvoudig afneembare binnenkap (Airclip) voor een totale reiniging bij klein onderhoud. De draaicilinder is eveneens gemakkelijk uitneembaar voor totale reiniging bij groot onderhoud, zonder dat het rooster uit het raam of het glas dient gedemonteerd te worden.
De zelfregelende klep reageert automatisch op variërende druk zodat er steeds aan een constant debiet wordt geventileerd. Dit zorgt voor een hoger comfort.
| Waarden |
Junior 150 EPC |
| Capaciteit bij 2 Pa (m³/h.m) (cfr NEN 1087) |
60 |
| Luchtgeluidsisolatie RqA in dB(A) |
-3,2 |
| Geluidsniveauverschil Dne,W in dB (cfr. ISO 140-1 & ISO 717-1) |
27 (-1;-2) |
| Warmtedoorgangscoëfficient |
U=2,7 W/m².K, temperatuurfactor (f)=0,8 |
| Wind- en waterdichtheid (cfr. NEN 1027 & NEN 2278) |
Tot 450 Pa (tot 45m) |
| Stijfheid en sterkte (cfr. NEN-EN 3660) |
Voldoet aan de hoogste klasse (1600 Pa) |
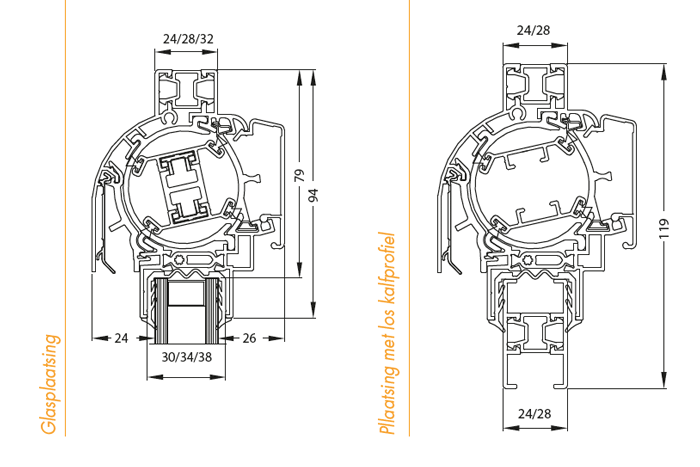
| Afmetingen |
Glasplaatsing |
Plaatsing met los kalfprofiel |
| Glasaftrek |
79 mm |
/ |
| Inbouwhoogte |
94 mm |
119 mm |
| Glasgoot |
30 / 34 / 38 mm |
/ |
| Sponningsflens |
24 / 28 / 32 mm |
24 / 28 mm |
| Uitvoeringen |
| Bediening |
Hendel, koord of stang |
| Eindstukken |
Zwart, wit en grijs en crème |
| Afwerking |
F1 blank geanodiseerd Alle Ral-kleuren |
|